国产精品 久久I欧美孕交vivoestv另类I亚洲国产精品999I在线电影 你懂得I深爱激情五月网I黄色一级大片在线免费看国产一I天天干天天干I亚洲视频 视频在线

全國服務熱線

0917-312584915891077471

鈦合金鍛件·鈦合金棒鈦加工件生產制造商
換熱器冷凝器壓力容器用鈦合金管國家標準GB/T 3625一2007
搜索:
當前所在位置:首頁 >> 新聞資訊 >> 行業資訊

換熱器冷凝器壓力容器用鈦合金管國家標準GB/T 3625一2007

發布時間 :2021-09-08 10:03:07 瀏覽次數 :

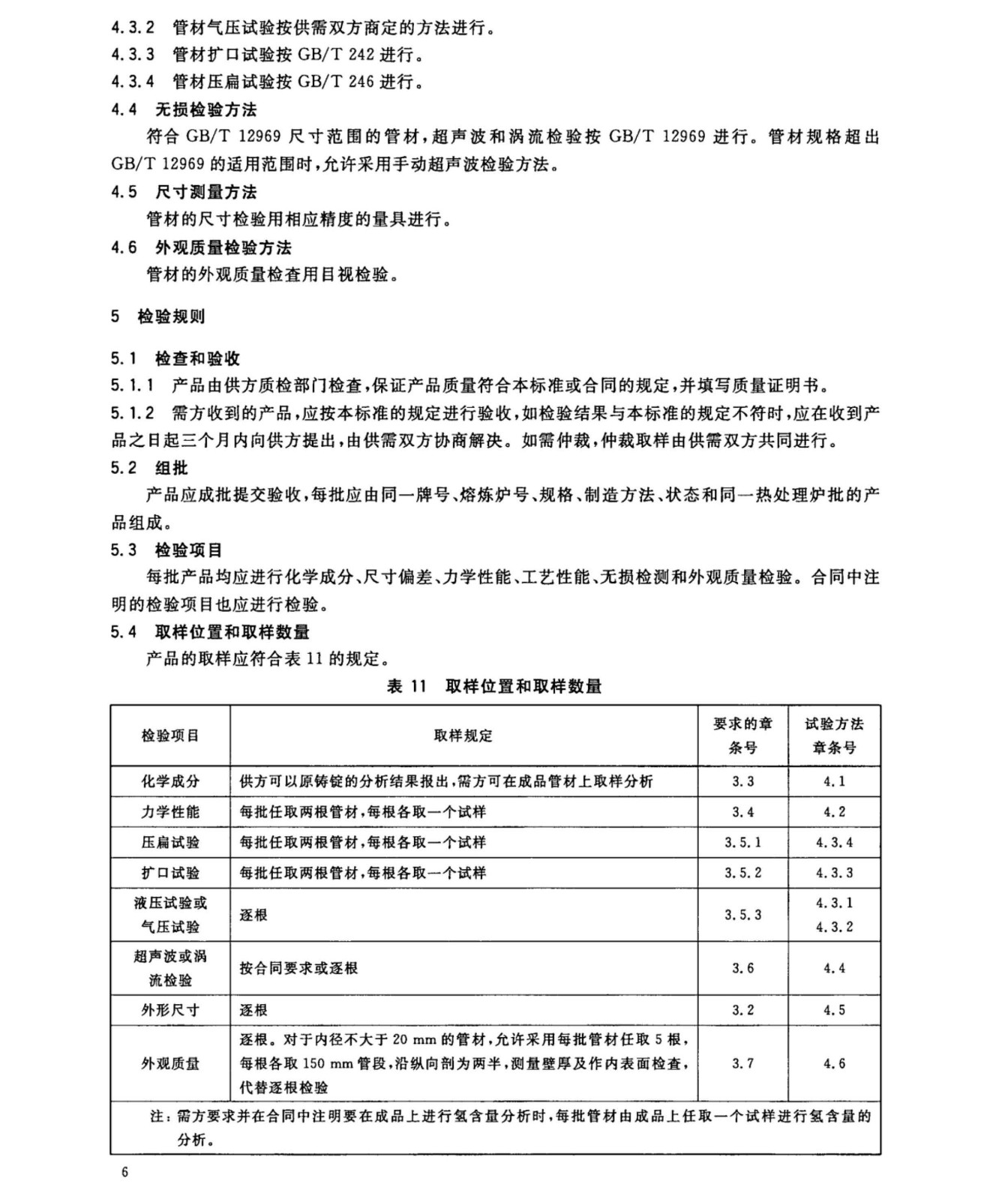
本標準規定了鈦及鈦合金管的要求、試驗方法、檢驗規則和標志、包裝、運輸、貯存及合同內容等。本標準適用于冷軋(冷拔)方法生產的鈦及鈦合金無縫管和焊接法及焊接-軋制法生產的鈦及鈦合金管。本標準適用于制作換熱器、冷凝器及各種壓力容器所使用的鈦合金管。

換熱器冷凝器壓力容器用鈦合金管國家標準GB/T 3625一2007

換熱器冷凝器壓力容器用鈦合金管國家標準GB/T 3625一2007

換熱器冷凝器壓力容器用鈦合金管國家標準GB/T 3625一2007

換熱器冷凝器壓力容器用鈦合金管國家標準GB/T 3625一2007

換熱器冷凝器壓力容器用鈦合金管國家標準GB/T 3625一2007

換熱器冷凝器壓力容器用鈦合金管國家標準GB/T 3625一2007

換熱器冷凝器壓力容器用鈦合金管國家標準GB/T 3625一2007

換熱器冷凝器壓力容器用鈦合金管國家標準GB/T 3625一2007

換熱器冷凝器壓力容器用鈦合金管國家標準GB/T 3625一2007

相關鏈接

在線客服
客服電話

全國免費服務熱線
0917 - 3125849
掃一掃

bjjwtai.com
巨偉鈦業手機網

返回頂部